Westerbeke Logo
 

 

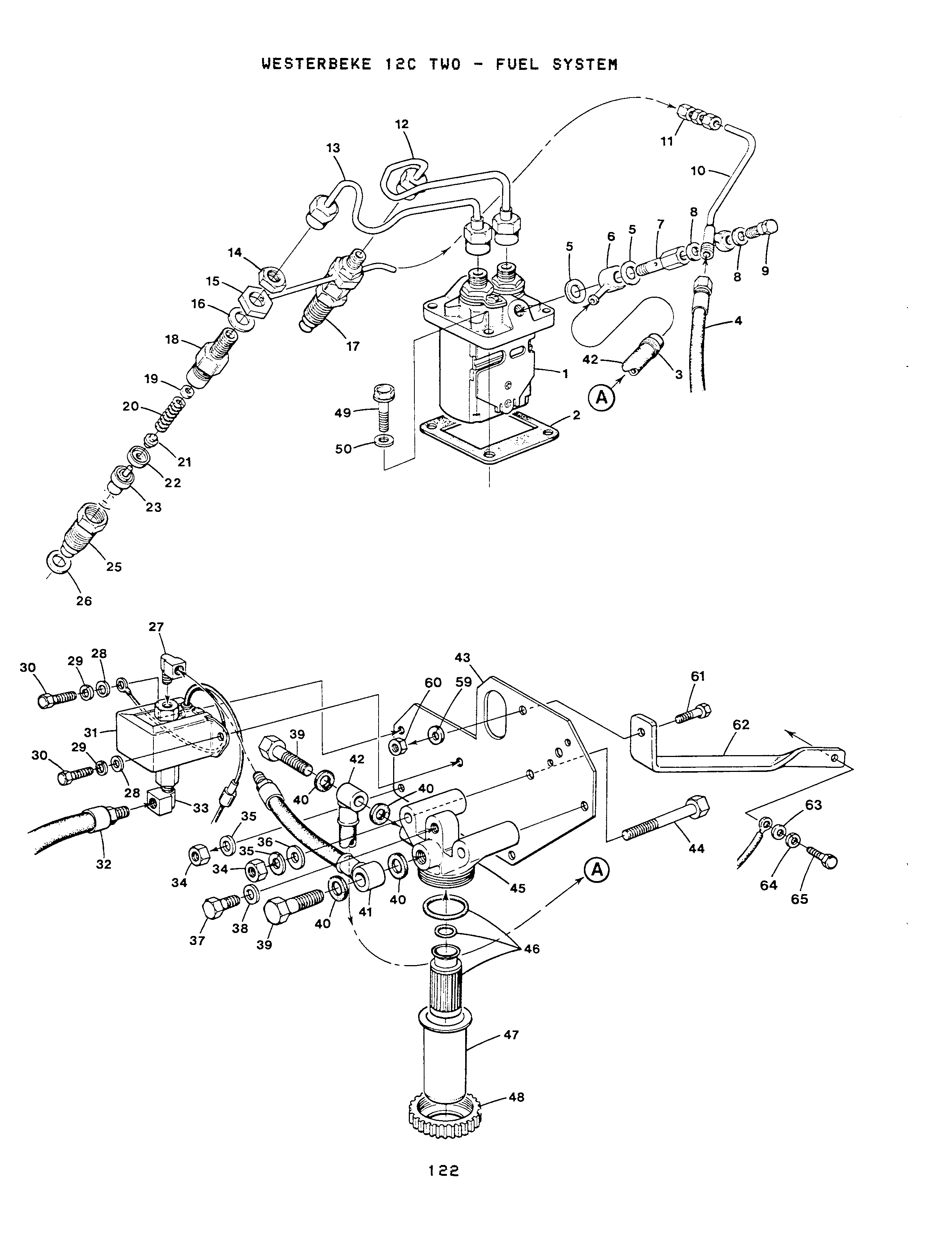
FUEL SYSTEM

Click the (+) and (-) buttons to zoom in and zoom out

Click on the name of any part to see details and important notes

Parts

1

On Diagram

PUMP

Part #: 037102
$1,689.10
QTY:

Sold By: EA

2-1

On Diagram

SHIM

Part #: 036974
$13.20
QTY:

Sold By: EA

2-2

On Diagram

SHIM

Part #: 036975

This part is no longer available.

$11.20
QTY:

Sold By: EA

2-3

On Diagram

SHIM

Part #: 037033
$11.20
QTY:

Sold By: EA

2-4

On Diagram

SHIM

Part #: 036976
$13.20
QTY:

Sold By: EA

2-5

On Diagram

SHIM

Part #: 037034
$11.20
QTY:

Sold By: EA

2-6

On Diagram

SHIM

Part #: 037035

This part is no longer available.

$10.00
QTY:

Sold By: EA

2-7

On Diagram

SHIM

Part #: 037036

This part is no longer available.

$11.20
QTY:

Sold By: EA

2-8

On Diagram

SHIM

Part #: 037037

This part is no longer available.

$11.20
QTY:

Sold By: EA

2-9

On Diagram

SHIM

Part #: 037038
$11.20
QTY:

Sold By: EA

3

On Diagram

CLAMP

Part #: 024906
$2.00
QTY:

Sold By: EA

4

On Diagram

HOSE

Part #: 034857
$219.60
QTY:

Sold By: EA

5

On Diagram

WASHER

Part #: 037105
$18.00
QTY:

Sold By: EA

6

On Diagram

BANJO ASSEMBLY

Part #: 038402
$56.10
QTY:

Sold By: EA

7

On Diagram

BOLT

Part #: 038399
$37.90
QTY:

Sold By: EA

8

On Diagram

WASHER

Part #: 030289

This part is no longer available. Use part number 057991.

$40.20
QTY:

Sold By: EA

9

On Diagram

BOLT

Part #: 016988
$18.20
QTY:

Sold By: EA

10

On Diagram

LINE

Part #: 038432
$69.20
QTY:

Sold By: EA

11-1

On Diagram

UNION 3/16OD COMPRESSION

Part #: 024600
$9.10
QTY:

Sold By: EA

11-2

On Diagram

NUT

Part #: 013344
$1.70
QTY:

Sold By: EA

11-3

On Diagram

FERRULE 3/16OD TUBE

Part #: 013343
$1.30
QTY:

Sold By: EA

12

On Diagram

LINE

Part #: 036951
$633.00
QTY:

Sold By: EA

13

On Diagram

LINE

Part #: 036952
$112.80
QTY:

Sold By: EA

14

On Diagram

NUT

Part #: 036921
$4.80
QTY:

Sold By: EA

15

On Diagram

LINE

Part #: 037098
$48.00
QTY:

Sold By: EA

16

On Diagram

GASKET

Part #: 036922
$7.00
QTY:

Sold By: EA

17

On Diagram

INJECTOR

Part #: 037091
$624.60
QTY:

Sold By: EA

18

On Diagram

HOLDER

Part #: 037112
$113.70
QTY:

Sold By: EA

19-1

On Diagram

SHIM

Part #: 036925
$9.10
QTY:

Sold By: EA

19-10

On Diagram

SHIM

Part #: 036934
$5.60
QTY:

Sold By: EA

19-2

On Diagram

SHIM

Part #: 036926
$11.00
QTY:

Sold By: EA

19-3

On Diagram

SHIM

Part #: 036927

This part is no longer available.

$9.10
QTY:

Sold By: EA

19-4

On Diagram

SHIM

Part #: 036929
$9.10
QTY:

Sold By: EA

19-6

On Diagram

SHIM

Part #: 036930
$6.50
QTY:

Sold By: EA

19-7

On Diagram

SHIM

Part #: 036931
$6.10
QTY:

Sold By: EA

19-8

On Diagram

SHIM

Part #: 036932
$6.10
QTY:

Sold By: EA

19-9

On Diagram

SHIM

Part #: 036933
$6.10
QTY:

Sold By: EA

20

On Diagram

SPRING

Part #: 037106

This part is no longer available.

$14.30
QTY:

Sold By: EA

21

On Diagram

PIN

Part #: 037107
$6.70
QTY:

Sold By: EA

22

On Diagram

SPACER

Part #: 037108
$13.00
QTY:

Sold By: EA

23

On Diagram

NOZZLE

Part #: 036935
$118.90
QTY:

Sold By: EA

25

On Diagram

NUT

Part #: 037109
$44.60
QTY:

Sold By: EA

26

On Diagram

WASHER

Part #: 036923
$38.30
QTY:

Sold By: EA

27

On Diagram

ELBOW

Part #: 022513
$15.40
QTY:

Sold By: EA

28

On Diagram

WASHER M 6 DIN 125

Part #: 031784

This washer fits M-25XPB, M-35B, & M-40B engines manufactured before March 1998.

$0.20
QTY:

Sold By: EA

29

On Diagram

LOCKWASHER M 6 DIN 127

Part #: 031783
$0.20
QTY:

Sold By: EA

30

On Diagram

CAPSCREW M 6x12 DIN 933

Part #: 031825
$0.60
QTY:

Sold By: EA

31

On Diagram

PUMP

Part #: 039275
$258.00
QTY:

Sold By: EA

32

On Diagram

HOSE

Part #: 030025
$126.80
QTY:

Sold By: EA

33

On Diagram
$11.20
QTY:

Sold By: EA

34

On Diagram

NUT M 8 DIN 934

Part #: 018242
$0.30
QTY:

Sold By: EA

35

On Diagram

LOCKWASHER M 8 DIN 127

Part #: 031786
$0.20
QTY:

Sold By: EA

36

On Diagram

WASHER M 8 DIN 125

Part #: 031787

This washer fits M-25XPB, M-35B, & M-40B engines manufactured March 1998 and after

$0.30
QTY:

Sold By: EA

37

On Diagram

SCREW

Part #: 030213
$7.80
QTY:

Sold By: EA

38

On Diagram

WASHER

Part #: 030289

This part is no longer available. Use part number 057991.

$40.20
QTY:

Sold By: EA

39

On Diagram

BOLT

Part #: 024984
$8.70
QTY:

Sold By: EA

40

On Diagram

WASHER

Part #: 030291
$9.90
QTY:

Sold By: EA

41

On Diagram

HOSE

Part #: 038047
$133.00
QTY:

Sold By: EA

42

On Diagram

HOSE

Part #: 036865
$76.90
QTY:

Sold By: EA

43-1

On Diagram

BRACKET

Part #: 038045
$221.70
QTY:

Sold By: EA

43-2

On Diagram

BRACKET

Part #: 039937
$36.90
QTY:

Sold By: EA

44

On Diagram

CAPSCREW M 8x60 DIN 931

Part #: 031225
$1.70
QTY:

Sold By: EA

45-1

On Diagram

FILTER

Part #: 030210
$157.20
QTY:

Sold By: EA

45-2

On Diagram

BODY

Part #: 030211
$179.60
QTY:

Sold By: EA

46

On Diagram

ELEMENT

Part #: 030200
$14.40
QTY:

Sold By: EA

47

On Diagram

CUP

Part #: 030199
$38.90
QTY:

Sold By: EA

48

On Diagram

RETAINER

Part #: 030212

This part is replaced with part number 046669

Price not found
QTY:

Sold By: EA

49

On Diagram

CAPSCREW M 6x20 DIN 933

Part #: 018804
$0.70
QTY:

Sold By: EA

50

On Diagram

LOCKWASHER M 6 DIN 127

Part #: 031783
$0.20
QTY:

Sold By: EA

59

On Diagram

LOCKWASHER M 8 DIN 127

Part #: 031786
$0.20
QTY:

Sold By: EA

60

On Diagram

NUT M 8 DIN 934

Part #: 018242
$0.30
QTY:

Sold By: EA

61

On Diagram

CAPSCREW M 8x20 DIN 933

Part #: 017196
$0.60
QTY:

Sold By: EA

62

On Diagram

SUPPORT

Part #: 039766
$33.60
QTY:

Sold By: EA

63

On Diagram

WASHER M 8 DIN 125

Part #: 031787

This washer fits M-25XPB, M-35B, & M-40B engines manufactured March 1998 and after

$0.30
QTY:

Sold By: EA

64

On Diagram

LOCKWASHER M 8 DIN 127

Part #: 031786
$0.20
QTY:

Sold By: EA

65

On Diagram

CAPSCREW M 8x25 DIN 933

Part #: 013630
$0.90
QTY:

Sold By: EA